軸承加熱器方案設計
發布時間:2012-08-21 來源:揚子工具集團 瀏覽次數:15402軸承加熱器方案設計
目前市場上的軸承加熱器主要有兩種:“橋式設計”和“塔式設計”。如圖2、3所示:

圖2 塔式設計 圖3 橋式設計
兩者都是采用類變壓器的設計理念,“塔式設計”的軸承加熱器優點在于不僅可以加熱環狀軸承,還可以加熱帽狀軸承,但是他的加熱效率在塔的不同高度曾現的效率不同,設計難度較大,而且加熱之后的磁化現象較之“橋式設計”要大得多,成本也較貴。
而此次設計的加熱器主要用于加熱環狀的軸承,同時限于成本和技術等問題決定采用“橋式設計”。
本次設計的感應式軸承加熱器采用的是“橋式設計”。它主要是根據單相變壓器的原理設計而成的。可以用于加熱各種軸承。
加熱過程:將待加熱的軸承置于活動的感應加熱器鐵軛上,環形的軸承套圈則相當于匝數為一匝的短路線圈當初級線圈上通入工頻或者高頻電流時,由于電磁感應原理,會在軸承的套圈內感應出很大的短路電流,此時由于電熱效應,軸承被迅速的加熱。
功率:此次設計的功率要求是在85%以上,在現有產品的基礎上,選用功效較好的軟磁材料,鐵軛和鐵芯規格大小的設計以及使鐵軛與鐵芯之間的接觸面更加嚴實、合理化,減少能量的損耗。
便攜式:盡量從小功率的角度出發,同時配以不同大小的鐵軛用以更加快速合理的加熱不同大小的軸承。并且將鐵軛與控制箱融合從而實現加熱器的小型化,便攜式理念。
容量:限于便攜式的設計,此次設計的容量大小大致定為600VA。
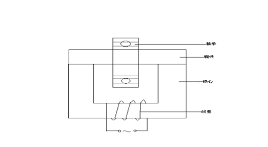
感應式軸承加熱器簡化圖如圖4所示:

感應加熱器 圖4
圖4中軸承即為所需要加熱的物品,鐵芯由兩部分組成:一部分是活動軛鐵,另一部分是凹形軛鐵,它也是心式變壓器的二次側副邊部分,而線圈則是租車位那個心式變壓器的一次的側部分。
本文鏈接: http://m.sztianye.cn/yzgjcn_237.html
如需轉載請注明:揚子工具軸承加熱器http://m.sztianye.cn
上一篇:液壓千斤頂常用公稱壓力
下一編:感應軸承加熱器裝配軸承后,使用感應拆卸器對軸承加熱拆卸
| 軸承加熱器相關知識 |
| ■感應軸承加熱器安裝軸承的好處和優勢及操作指南 ■感應軸承加熱器裝配軸承后,使用感應拆卸器對軸承加熱拆卸 ■感應軸承加熱器感應器結構 ■軸承加熱器方案設計 ■造成感應拆卸器加熱效果差的原因 ■軸承感應加熱器設計思路,裝配軸承的優點,軸承安裝方法比較 |
| 軸承加熱器相關產品(請點擊產品名稱查看詳細資料) |
| 軸承加熱器定制調查表(在括號中填上數據,并留下聯系方法,最后再提交) |