互換型螺栓拉伸器
 |
 |
 |
| 海力L-S/YZLS高壓互換型螺栓拉伸器( M20-115)壓力150Mpa通過更換螺栓拉伸頭,一個拉伸器主機可以適用于不同規格的螺栓進行拉伸。相對于普通螺栓拉伸器具有平均價格低,但外徑較大 |
互換型螺栓拉伸器(海力L-D/YZLSD M20-100)壓力80Mpa,壓力低,對拉伸力要求不高的螺栓進行拉伸,價格低 |
普通型螺栓拉伸器(海力L-B/YZLB M16-900)壓力150Mpa一個拉伸器主機只可拉伸一個螺栓,有外徑小的特點 |
海力L-S/YZLS型高壓互換型螺栓拉伸器一個工作油缸拉伸多種螺栓,壓力大,一機多用,體積小,拉伸力大等特點。比海力L-B/YZLB
普通型螺栓拉伸器更具有經濟性,用于螺栓規格較多的場合,執行化工部螺栓液壓上緊裝置標準HG/T21573-95
1、低壓力互換型螺栓拉伸器用于拉伸力較小地方。
2、執行機械標準的雙級高型拉伸器,單級高型拉伸器壓力低,外徑小,高度較大。
3、如以下參數不符合要求可根據實際工況條件及特殊要求定制。需先填寫 螺栓工況情況調查表

| 型號 |
適用螺栓
mm |
最大負載kn |
尺寸 |
重量 Kg |
壓力MPA |
舊型號 |
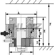
| 外徑A |
高度E |
B |
C |
D |
F |
| 海力L-S20-22 |
M20 |
155 |
66.0 |
91.5 |
>16 |
62.0 |
34.5 |
129.0 |
1.3 |
150 |
YZLS20-22 |
| M22 |
91.5 |
>17.6 |
62.0 |
34.5 |
132.0 |
| 海力L-S24 |
M24 |
282.74 |
85.0 |
112.0 |
>19.2 |
68.0 |
43.0 |
155.0 |
3.5 |
150 |
YZLS24 |
| 海力L-S24-36 |
M24 |
486.67 |
109.0 |
117.0 |
>19.2 |
75.0 |
38.0 |
161.0 |
5.5 |
150 |
YZLS24-36 |
| M27 |
117.0 |
>21.6 |
75.0 |
38.0 |
161.0 |
| M30 |
120.0 |
>24 |
80.0 |
41.0 |
169.30 |
| M33 |
123.0 |
>26.4 |
88.0 |
44.0 |
175.0 |
| M36 |
126.0 |
>28.8 |
96.0 |
47.0 |
181.0 |
| 海力L-S33-42 |
M33 |
661.03 |
126.0 |
127.0 |
>26.4 |
88.0 |
44.0 |
176.0 |
7.0 |
150 |
YZLS33-42 |
| M36 |
130.0 |
>28.8 |
96.0 |
47.0 |
182.0 |
| M39 |
133.0 |
>31.2 |
96.0 |
50.4 |
184.0 |
| M42 |
136.0 |
>33.6 |
108.0 |
53.5 |
195.0 |
| 海力L-S39-48 |
M39 |
1048.62 |
147.0 |
134.0 |
>31.2 |
113.0 |
50.0 |
195.0 |
10.0 |
150 |
YZLS39-48 |
| M42 |
137.0 |
>33.6 |
113.0 |
53.5 |
202.0 |
| M45 |
141.0 |
>36 |
118.0 |
57.0 |
208.0 |
| M48 |
144.0 |
>38.4 |
114.0 |
60.0 |
214.0 |
| 海力L-S52-56 |
M52 |
1413.72 |
174.0 |
152.0 |
>41.6 |
132.0 |
63.0 |
223.0 |
15.0 |
150 |
YZLS52-56 |
| M56 |
158.0 |
>44.8 |
138.0 |
69.5 |
235.0 |
| 海力L-S56-68 |
M56 |
1590.43 |
188.0 |
158.0 |
>44.8 |
138.0 |
69.5 |
237.0 |
17.0 |
150 |
YZLS56-68 |
| M60 |
158.0 |
>48 |
138.0 |
69.5 |
250.0 |
| M64 |
164.0 |
>51.2 |
153.0 |
76.0 |
250.0 |
| M68 |
170.0 |
>54.4 |
164.0 |
82.0 |
263.0 |
| 海力L-S72-76 |
M72 |
2061.55 |
216.0 |
170.0 |
>57.6 |
157.0 |
82.0 |
263.0 |
26.0 |
150 |
YZLS72-76 |
| M76 |
177.0 |
>60.8 |
180.0 |
89.0 |
276.0 |
| 海力L-S76-90 |
M76 |
2544.69 |
247.0 |
180.0 |
>60.8 |
180.0 |
89.0 |
279.0 |
29.5 |
150 |
YZLS76-90 |
| M80 |
180.0 |
>64 |
180.0 |
89.0 |
279.0 |
| M85 |
186.0 |
>68 |
190.0 |
95.0 |
291.0 |
| M90 |
192.0 |
>72 |
205.0 |
101.0 |
304.0 |
| 海力L-S95-100 |
M95 |
3325.06 |
273.0 |
199.0 |
>76 |
200.0 |
107.0 |
318.0 |
38.0 |
150 |
YZLS95-100 |
| M100 |
216.0 |
>80 |
210.0 |
114.0 |
345.0 |
| 海力L-S105-115 |
M105 |
3834 |
308.0 |
216.0 |
>84 |
225.0 |
120.0 |
353.0 |
49.0 |
150 |
YZLS105-115 |
| M110 |
216.0 |
>88 |
225.0 |
120.0 |
353.0 |
| M115 |
216.0 |
>92 |
225.0 |
120.0 |
353.0 |
通常可根據客戶的實際工況條件及特殊要求定制。
螺栓工況調查表
螺栓伸出長度至少為螺栓的直徑的0.8倍

海力L-D(M20-100)互換型螺栓拉伸器(80Mpa)
| 型號 |
螺紋d |
D |
D1 |
H |
H1
mim |
H2
mim |
H3 |
B
mim |
d1 |
a |
α |
活塞 |
拉伸力 |
壓力 |
| 面積 |
行程 |
| |
mm |
cm2 |
mm |
KN |
Mpa |
| 海力L-D20-27 |
M20 |
97 |
84 |
95 |
38 |
130 |
20 |
50+d2/2 |
60 |
10 |
47° |
37 |
6 |
296 |
80 |
| M22 |
42 |
| M24 |
46 |
| M27 |
52 |
| 海力L-D24-33 |
M24 |
114 |
98 |
108 |
46 |
150 |
26 |
58+d2/2 |
72 |
10 |
47° |
55 |
7 |
440 |
80 |
| M27 |
52 |
| M30 |
57 |
| M33 |
63 |
| 海力L-D36-45 |
M36 |
145 |
122 |
142 |
69 |
190 |
46 |
74+d2/2 |
92 |
12 |
47° |
83 |
8 |
611 |
80 |
| M39 |
74 |
| M42 |
80 |
| M45 |
86 |
| 海力L-D45-56 |
M45 |
180 |
155 |
200 |
86 |
255 |
75 |
92+d2/2 |
117 |
12 |
90° |
135 |
8 |
1030 |
80 |
| M48 |
92 |
| M52 |
99 |
| M56 |
107 |
| 海力L-D60-80 |
M60 |
250 |
220 |
265 |
114 |
340 |
95 |
127+d2/2 |
156 |
12 |
90° |
180 |
15 |
1440 |
80 |
| M64 |
122 |
| M68 |
130 |
| M72×6 |
137 |
| M76×6 |
145 |
| M80×6 |
152 |
| 海力L-D80-100 |
M80×6 |
285 |
250 |
310 |
152 |
405 |
123 |
145+d2/2 |
194 |
12 |
90° |
250 |
15 |
2000 |
80 |
| M85×6 |
162 |
| M90×6 |
171 |
| M95×6 |
181 |
| M100×6 |
190 |
通常可根據客戶的實際工況條件及特殊要求定制。
螺栓工況調查表
| 螺栓拉伸器工況調查表(在括號中填上數據,并留下聯系方法,最后再提交) |